これは初心者向けの cnc プログラミングの例です。この cnc プログラミングの例は、 cnc 学習 の最初のステップです。 または 初心者向けの CNC プログラミング . 無料の cnc プログラミング例がたくさんあります コンポーネント図面付き。この cnc プログラミング例では、cnc ボーリング バー ツールを使用した cnc ボーリングについて説明します。 初心者のための CNC プログラミング CNC プログラミングの例 CNC プログラムの例 N1 T01 G20N2 G00 X3.5 Z0.5N3 G01 G96 S120 Z0 F.5N4 G02 X2 Z-.75
CNC プログラミング サイクルを使用する理由 または CNC 固定サイクル cnc プログラミングでは、cnc 固定サイクルの長所と短所を以下に示します。 CNC プログラミング サイクルまたは CNC 缶詰サイクルの長所と短所 cnc プログラム サイクルの使用が大好きです。そして、私は cnc 缶詰サイクルの大ファンです。私はあなたのプログラムで cnc プログラム サイクルを使用しようと言う人です。すぐに、cnc プログラミング サイクルが cnc プログラミング ライフ スタイルに別の次元を追加する方法がわかるでしょう。 CNC プログラミング サイクルまたは CNC 固定サイ
これは非常に単純な旋盤 cnc プログラミングの例です。この旋盤 cnc プログラミングの例は、初心者レベルの cnc プログラマーまたは初心者の cnc プログラマー向けです。簡単なCNC輪郭プログラミング。 G コード このプログラミング例で使用されているのは Fanuc cnc control のものです . 旋盤 CNC プログラミング例 ファナック G コードの CNC プログラム N10 G90 S500 M03N20 G00 X25 Z5N30 G01 G95 Z0 F1N40 G01 Z-7.5 F0.2N50 G01 X60 Z-35N60 G01 Z-50N70 G00
ファナック G72 フェーシング サイクル CNC 工作機械工場でファナック制御の CNC 工作機械を使用したことがある場合は、G72 キャンド サイクル フェーシングを使用したことがあるはずです。 cnc ターニング サイクル G71. ファナック cnc 制御での cnc サイクルのプログラミングは簡単だからです。 cnc サイクルを使用する理由 cnc プログラミング サイクルの長所と短所を読んでください。この投稿では、G72 キャンド サイクル フェーシングの使用とプログラミングについて詳しく説明します。 ファナック cnc 制御。 Fanuc G71 ターニング サイクルにつ
CNCプログラミングは多くの人が考えるほど難しい作業ではありません。初心者にとっては、図面をいくつかの小さな部分に分割してプログラミングを開始すると便利です.実際、CNC プログラミングはマスターするのに時間がかかりますが、要するに、それは私たちのツールが加工するためのパスにすぎません。これは別の単純な CNC 旋盤プログラムです。 コード付き CNC 旋盤プログラムの例 簡単な CNC プログラミングの例 N1 T0101 ; Tool no 1 with offset no 1 FANUC ControlN2 G97 S500 M03 ; Spindle rotation clockw
ここに別の CNC があります プログラミング例 、この cnc プログラミングの例では、Fanuc CNC コントロール用の G71 固定サイクルと G70 の使用を示しています。 . G71 ターニング サイクル G71 Turning Canned Cycle (Rough Turning Cycle) については既に投稿しましたが、そのブログ投稿は G71 および G71 パラメータの使用法を示しているだけです。 この CNC プログラミング例は、G71 による完全な輪郭切削と G70 による輪郭の仕上げ切削を示しています。 G70 仕上げサイクル ファナック cnc 制御用は、
CNC G コードと M コードがなければ、CNC プログラムを完全に実行することはできません。 この記事では実際に、CNC G コードとは何か、およびどの cnc プログラムもそれなしでは完成しない理由について説明します。 完全なファナック G コード リストについては、ファナック G コード リストを参照してください。 CNC プログラマーのための CNC G コードの紹介 CNC G コード 広い意味での CNC G コードは、CNC 工作機械への指示です。 CNC G コードは CNC 工作機械への指示です いいね どちらに行くか 直線で移動する (G01) または曲
cnc 旋盤機械のワークショップでは、ほとんどのコンポーネントの割り当てに、めねじ、おねじ、タッピングなどのようなある種のねじが使われているのを目にすることは間違いありません。 もちろん、cnc マシンでのねじ切りは問題ではありません。なぜなら、cnc は、cnc ねじ切りサイクルや cnc G コード G33 のような cnc 固定サイクルを使用できる柔軟性を提供し、テーパねじを機械加工することさえできるからです。 CNC 旋盤でのねじ切りには、ほとんどの場合、ねじ切りインサートが使用されます。ねじ切りにねじ切りインサートを使用すると、次のような多くの利点が得られます 簡単に交換 セッ
今日はCNC旋盤機のジョーについてお話します。この投稿は、CNC マシンのジョーに関する入門記事として読むことができます。 CNC マシン ジョーは、CNC 旋盤マシンで使用され、CNC 旋盤マシン チャックでコンポーネントを把持します。 したがって、CNC マシンのジョーの唯一の目的は、CNC 旋盤マシンのチャックでコンポーネントをつかむことです。したがって、ほとんどすべての CNC 旋盤機械のジョーはほぼ同じ設計図を持っています。または、通常、すべての CNC 旋盤機械のジョーは同じ形状と外観を持っていると言えます。 CNC機械工のためのCNCマシンジョーの紹介 CNC セッター ジ
今日はCNC バックラッシュについてお話しします これは cnc マシンの軸にあります。 説明します CNC バックラッシュとは CNC バックラッシュの原因 CNC のバックラッシュを心配するとき バックラッシュの測定方法 ハードウェアと CNC 制御ソフトウェアを使用して CNC のバックラッシュを解決および補正する方法 CNC バックラッシュ CNC バックラッシュとは? CNC バックラッシュは、CNC 機械の軸に見られるあらゆる種類の遊びです。 または、 CNC バックラッシュは、軸反転時に発生する CNC 軸の非移動です。 CNC バックラッシュの原因 この遊び(
これは cnc プログラミングの例です。すでに複数の cnc プログラミングの例を投稿しています。この cnc プログラミング例は、ファナック G73 パターン繰り返しサイクルの使用法を示しています。 ファナック G73 パターン繰り返しサイクルと G73 パラメータの詳細については、この記事の CNC Fanuc G73 パターン繰り返しサイクル. 次の cnc プログラミング例では、 N70 の U は、G73 パターンの繰り返しサイクルが切断される合計材料です (これは半径値です) N70 の R は、ツールがパターンを繰り返す数です。 CNC プログラミング例 Fanuc G7
センタードリルホルダーのご紹介です。この投稿を CNC アクセサリに追加しました。 CNC Machine Jaws のような他の CNC アクセサリについて読むかもしれません。 CNCセンタードリルホルダー 複数のセンター ドリル ホルダーがありますが、この投稿では、CNC マシンのタレットに固定 (締め付け) できない特別なタイプのセンター ドリル ホルダーについてのみ説明しますが、通常の切削工具ホルダー (VDI ツール ホルダー) は、CNC 工作機械のタレットでグリップするために使用されます。 このセンター ドリル ホルダーについては、この図がよく表していると思います。 どこ
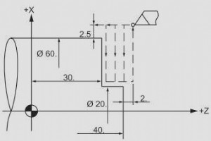
Fanuc G75 Grooving Cycle について投稿しました。 Fanuc G75 溝入れサイクル には複数のパラメータがあり、必要に応じて設定できます。この投稿では、G75 Fanuc 溝入れサイクルの cnc プログラムの例を示します。これは溝加工用の単純な cnc プログラムの例ですが、この cnc プログラムは必要に応じて簡単に変更できます。 fanuc G75 溝入れサイクル この記事 Fanuc G75 Grooving Cycle で簡単に説明されているため、cnc プログラムの例と cnc プログラムの説明を次に示します。 Fanuc G75 溝入れサイクルの C
ねじ切りは、機械加工されるほぼすべてのコンポーネントの不可欠な部分です。ねじは、内ねじ (ID ねじ) または外ねじ (OD ねじ) の場合があります。 Fanuc cnc 制御用の G76 Threading Canned Cycle の完全な説明は次のとおりです。 ねじ切り固定サイクルの CNC G コードは G76 です。 他の cnc ねじ切りサイクル G92、G32、G33 が好きかもしれません CNC Fanuc G92 ねじ切りサイクル CNC ファナック G33 G32 スレッディング G コード Fanuc 10/11/15T の G76 スレッド化サイクル 1 行形式
Laszeray が企業として、Haas 高速 4 軸および 5 軸ミリング センターでいっぱいの工場フロア全体にいつ投資したかを知ることは、やりがいのあることです。また、米国の製造業と将来の高度な技術を持つ機械工の教育に取り組んでいる会社を支援してくださいました。 最近、ハースはノース セントラル テキサス カレッジの有望な学生にジーン ハース奨学金を贈りました。また、MCC の精密機械加工および製造プログラムに登録している現在および将来の学生に向けた奨学金用の助成金も寄付しました。 MCC Precision Machining and Manufacturing Program のコ
金型製作におけるワイヤ EDM 加工の利点については、以前に書いたことがあります。次のプロジェクトに着手する前に、EDM の生産性を最適化するために考慮すべき要素がいくつかあります。 まず、使用しているワイヤーの種類を再評価します。ほとんどの操作では、費用対効果を高めるために標準の真鍮線を使用しますが、これはいくつかの点で制限されています。たとえば、被覆または層化されたワイヤは、プレーン ワイヤよりもコストがかかりますが、荒削り速度を 20~30% 向上できます .単純なシングルカット作業には真鍮ワイヤーが適していますが、高速で粗いカットの場合は、コーティングを使用すると、長期的には時間とお
製造業者や機械工場は、さまざまな工作機械を制御するためにコンピュータ数値制御 (CNC) マシンを使用することがよくあります。 CNC 機械加工の概念は、1940 年代と 1950 年代に登場しました。当時は、パンチテープ技術などのアナログ データ ストレージが使用されていました。今日、CNC 生産は、高度なコンピュータ支援製造 (CAM) またはコンピュータ支援設計 (CAD) ソフトウェアに依存して、部品や製品のプロトタイプを製造する機械に設計指示を提供しています。 切削加工による製造プロセスである CNC 機械加工により、より高度な複雑性が可能になります。高い精度と正確性を必要とする少
製造と生産の現代の主力であるコンピューター数値制御 (CNC) は、最初の数値制御 (NC) マシンが登場した 1940 年代にさかのぼります。しかし、それ以前に旋盤が登場しました。実際、手作りの技術を置き換えて精度を高めるために使用される機械が 1751 年に発明されました。この概念が現代の CNC 製造会社の能力を引き継ぐまでには、しばらく時間がかかります。 CNC製造につながった機械加工技術は、工業化の始まりを示しました。今日の CNC 機械加工の定義は、より具体的です。これには、マシニング センター内の工具の動きを制御するプログラムを実行するコンピューターに 3D ファイルを入力す
レーザー彫刻は、部品、コンポーネント、およびさまざまな製品に「仕上げ」のタッチを加えるために使用できる、製造におけるいくつかの異なる二次仕上げ操作の 1 つです。その名前が示すように、レーザー彫刻は高出力のレーザーを使用して材料から材料を慎重に除去し、目的の結果を作成します。 レーザー彫刻は、プラスチック、ゴム、セラミック、木材、金属など、さまざまな素材に使用できます。仕上げ操作により、素材に鮮明で正確な彫刻されたテキストと画像が残ります。 レーザーの精度により、除去する材料の量を変えることができるため、希望する結果に基づいて彫刻の深さを変えることができます。たとえば、ある深さでテキストを
EDM (放電加工) は、設計者の正確な仕様に合わせて硬質金属から複雑な機械加工部品を製造する革新的な方法です。ワイヤー EDM は、CNC 生産サービスまたは製造プロセスであり、硬化前鋼またはその他の金属合金で複雑な輪郭とキャビティを複製する能力において、従来の機械加工方法を凌駕しています。 あなたの発明やコンセプトには、プロトタイプ用のカスタム パーツが必要ですか、それとも生産のためにワイヤー EDM サービスをアウトソーシングする必要がありますか? EDM プロセスの詳細、イノベーターと企業へのメリット、および機器を購入するか、これらのサービスを従来とは異なる機械加工技術を専門とする会
CNCマシン