提出者:機械工 描画/画像 CNC プログラム 0 BEGIN PGM 10110 MM1 BLK FORM 0.1 Z X+0 Y+0 Z-402 BLK FORM 0.2 X+100 Y+100 Z+03 TOOL DEF 14 TOOL CALL 1 Z S10005 L M66 L X+60 Y+120 R0 FMAX M37 L Z-20 FMAX8 APPR?9 CR X+60.562 Y+29.998 R+20 DR-10 CR X+29.373 Y+20.995 R+75 DR+11 CR X+16.026 Y+34.435 R+10 DR-12 CR X+51.927 Y+
提出者:ブライアン 描画/画像 CNC プログラム 0 BEGIN PGM 10111 MM1 BLK FORM 0.1 Z X+0 Y+0 Z-402 BLK FORM 0.2 X+100 Y+100 Z+03 TOOL DEF 14 TOOL CALL 1 Z S5005 L M66 L X-20 Y+0 R0 FMAX M37 L Z-20 FMAX8 L APPR ?9 L Y+4010 CC11 LP PR+30 PA+6012 CC13 LP PR+40 IPA-2714 CC15 LP PR+80 IPA-9016 L X+5 Y+617 DEP ?18 L Z100 FMAX
提出者:機械工 描画/画像 CNC プログラム /*MAZATROL MATRIX For INTEGREX IV Programming EIA/ISOMazak G01.1 command in the milling mode enables a simultaneous interpolation on the C-axis andthe X- and/or the Z-axis for straight, tapered or scrolled thread cutting of constant leads.Programming formatG01.1 Zz/Ww Xx/Uu
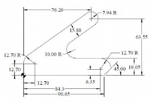
提出者:機械工 描画/画像 CNC プログラム 0 BEGIN PGM FK3 MM1 BLK FORM 0.1 Z X+0 Y+0 Z-402 BLK FORM 0.2 X+100 Y+100 Z+03 TOOL DEF 1 L+0 R+54 TOOL CALL 1 Z S5005 L M66 L X-20 Y-20 R0 FMAX M37 L Z+2 FMAX8 L Z-10 F5009 L X+0 RL10 L Y+12.711 CC X+12.7 Y+12.712 C X+5.361 Y+23.064 DR-13 L X+71.611 Y+69.9814 CC X+76.2 Y+63
提出者:機械工 描画/画像 CNC プログラム 0 BEGIN PGM 10112 MM1 BLK FORM 0.1 Z X+0 Y+0 Z-402 BLK FORM 0.2 X+100 Y+100 Z+03 TOOL DEF 14 TOOL CALL 1 Z S10005 L M66 L X-20 Y-20 R0 FMAX M37 L Z-20 FMAX8 APPR ?9 CC X+50 Y+5010 LP PR+40 PA+18011 LP PA+12012 LP PA+6013 LP PA+014 LP PA-6015 LP PA-12016 LP PA-18017 L Y+12018
提出者:ヴィクラム 描画/画像 CNC プログラム 0 BEGIN PGM 10114 MM1 BLK FORM 0.1 Z X-50 Y-50 Z-402 BLK FORM 0.2 X+50 Y+50 Z+03 TOOL DEF 14 TOOL CALL 1 Z S10005 L M66 L X+70 Y+0 R0 FMAX M37 L Z-20 FMAX8 APPR ?9 CC X+50 Y+5010 CP IPA+360 DR- (or CP PA+0 DR-)11 DEP ?12 TOOL CALL 013 L M614 L M3014 END PGM 10114 MM
提出者:ヴィクラム 描画/画像 CNC プログラム 0 BEGIN PGM 10115 MM1 BLK FORM 0.1 Z X-90 Y-15 Z-402 BLK FORM 0.2 X+90 Y+15 Z+03 TOOL DEF 14 TOOL CALL 1 Z S10005 L M66 L X+0 Y-20 R0 FMAX M37 L Z-20 FMAX8 APPR ?9 CC X+0 Y-8010 CP PA+126.87 DR+11 CC X-60 Y+012 CP PA+53.13 DR-13 CC X+0 Y+8014 CP PA-53.13 DR+15 CC X+60 Y+01
提出者:機械工 描画/画像 CNC プログラム 0 BEGIN PGM 10116 MM1 BLK FORM 0.1 Z X+0 Y+0 Z-202 BLK FORM 0.2 X+100 Y+50 Z+203 TOOL DEF 14 TOOL CALL 1 Z S10005 L M66 CYCL DEF 1.0 PECKING7 CYCL DEF 1.1 SET UP 58 CYCL DEF 1.2 PLNGNG -209 CYCL DEF 1.3 DWELL 010 CYCL DEF 1.4 F???11 L X+20 Y+20 R0 FMAX M312 L Z+5 FMAX13 CYCL
提出者:機械工 描画/画像 CNC プログラム 0 BEGIN PGM 10116B MM1 BLK FORM 0.1 Z X+0 Y+0 Z-202 BLK FORM 0.2 X+100 Y+50 Z+203 TOOL DEF 14 TOOL CALL 1 Z S10005 L M66 CYCL DEF 200 DRILLING Q200 = 5 ;SET-UP CLEARANCE Q201 = -20 ;DEPTH Q206 = ??? ;FEED RATE FOR PLNGNG Q202 = 5 ;PLNGNG DEPTH Q210 = 0 ;DWELL TIME AT TOP Q20
提出者:ブライアン 描画/画像 CNC プログラム 0 BEGIN PGM 10116C MM1 BLK FORM 0.1 Z X+0 Y+0 Z-202 BLK FORM 0.2 X+100 Y+50 Z+203 TOOL DEF 24 TOOL CALL 2 Z S1005 L M66 CYCL DEF 2.0 TAPPING7 CYCL DEF 2.1 SET UP 58 CYCL DEF 2.2 DEPTH -109 CYCL DEF 2.3 DWELL 010 CYCL DEF 2.4 F?11 L X+20 Y+20 R0 FMAX M312 L Z+5 FMAX13 CYCL
提出者:ヴィクラム 描画/画像 CNC プログラム 0 BEGIN PGM 10116D MM1 BLK FORM 0.1 Z X+0 Y+0 Z-202 BLK FORM 0.2 X+100 Y+50 Z+203 TOOL DEF 24 TOOL CALL 2 Z S1005 L M66 CYCL DEF 17.0 RIGID TAPPING7 CYCL DEF 17.1 SET UP 58 CYCL DEF 17.2 PLNGNG -109 CYCL DEF 17.3 PITCH 1.510 L X+20 Y+20 R0 FMAX M311 L Z+5 FMAX12 CYCL CALL
提出者:機械工 描画/画像 CNC プログラム 0 BEGIN PGM 10117 MM1 BLK FORM 0.1 Z X+0 Y+0 Z-402 BLK FORM 0.2 X+100 Y+100 Z+03 TOOL DEF 14 TOOL CALL 1 Z S10005 L M66 CYCL DEF 3.0 SLOT MILLING7 CYCL DEF 3.1 SET UP 28 CYCLE DEF 3.2 DEPTH -209 CYCLE DEF 3.3 PECKG -10 F8010 CYCLE DEF 3.4 Y+8011 CYCLE DEF 3.5 X+1012 CYCL DEF
提出者:機械工 描画/画像 CNC プログラム 0 BEGIN PGM 10118 MM1 BLK FORM 0.1 Z X+0 Y+0 Z-402 BLK FORM 0.2 X+100 Y+100 Z+03 TOOL DEF 14 TOOL CALL 1 Z S10005 L M66 CYCL DEF 4.0 POCKET MILLING7 CYCL DEF 4.1 SET UP 58 CYCL DEF 4.2 DEPTH -209 CYCL DEF 4.3 PECKG -10 F8010 CYCL DEF 4.4 X+8011 CYCL DEF 4.5 Y+5012 CYCL DEF 4
提出者:機械工 描画/画像 CNC プログラム 0 BEGIN PGM 10119 MM1 BLK FORM 0.1 Z X+0 Y+0 Z-402 BLK FORM 0.2 X+100 Y+100 Z+03 TOOL DEF 14 TOOL DEF 25 TOOL CALL 1 Z S10006 L M67 CYCL DEF 213 STUD FINISHING Q200 = 2 ;SET-UP CLEARANCE Q201 = 30 ;DEPTH Q206 = 250 ;FEED RATE FOR PLNGNG Q202 = 5 ;PLUNGING DEPTH Q207 = 250 ;F
提出者:ヴィクラム 描画/画像 CNC プログラム 0 BEGIN PGM 10120 MM1 BLK FORM 0.1 Z X+0 Y+0 Z-402 BLK FORM 0.2 X+100 Y+100 Z+03 TOOL DEF 14 TOOL DEF 25 TOOL DEF 36 CYCL DEF 14.0 CONTOUR GEOM.7 CYCL DEF 14.1 CONTOUR LABEL 1/2/3/4/ / /8 TOOL CALL 1 Z S5009 L M610 CYCL DEF 15.0 PILOT DRILL11 CYCL DEF 15.1 SET UP -2 DEPTH
提出者:ブライアン 描画/画像 CNC プログラム 0 BEGIN PGM 10121 MM1 BLK FORM 0.1 Z X0 Y0 Z-402 BLK FORM 0.2 X100 Y100 Z03 TOOL DEF 14 TOOL CALL 1 Z S10005 L M66 L Z250 R0 FMAX7 CYCL DEF 14.0 CONTOUR GEOMETRY8 CYCL DEF 14.1 CONTOUR LABEL 19 CYCL DEF 25.0 CONTOUR TRAIN Q1 = -20 ; MILLING DEPTH Q3 = 0 ; ALLOWANCE FOR SID
提出者:機械工 描画/画像 CNC プログラム 0 BEGIN PGM 10123 MM1 BLK FORM 0.1 Z X0 Y0 Z02 BLK FORM 0.2 X100 Y100 Z403 TOOL DEF 14 TOOL CALL 1 Z S20005 L M66 L Z250 R0 FMAX7 CYCL DEF 230 MULTIPASS MILLING Q225 = 0 ;STARTING POINT 1ST AXIS Q226 = 0 ;STARTING POINT 2ND AXIS Q227 = 35 ;STARTING POINT 3RD AXIS Q218 = 100
提出者:ブライアン 描画/画像 CNC プログラム 0 BEGIN PGM 10124 MM1 BLK FORM 0.1 Z X+0 Y+0 Z-202 BLK FORM 0.2 X+120 Y+70 Z+03 TOOL DEF 14 TOOL DEF 25 TOOL DEF 36 TOOL CALL 1 Z S5007 L M68 L M139 CYCL DEF 1.0 PECKING10 CYCL DEF 1.1 SET UP 211 CYCL DEF 1.2 DEPTH -212 CYCL DEF 1.3 PECKG -213 CYCL DEF 1.4 DWELL 014 CYCL D
投稿者:cnc プログラマー 描画/画像 CNC プログラム 0 BEGIN PGM 10125 MM1 BLK FORM 0.1 Z X+0 Y+0 Z-202 BLK FORM 0.2 X+100 Y+100 Z+03 TOOL DEF 1 L+0 R+34 TOOL CALL 1 Z S5005 L M66 L X+15 Y+10 R0 FMAX M137 CYCL DEF 1.0 PECKING8 CYCL DEF 1.1 SET UP 29 CYCL DEF 1.2 DEPTH -2010 CYCL DEF 1.3 PECKG -2011 CYCL DEF 1.4 DWELL 01
投稿者:cnc プログラマー 描画/画像 CNC プログラム 0 BEGIN PGM 10126 MM1 BLK FORM 0.1 Z X-65 Y-65 Z-202 BLK FORM 0.2 X+65 Y+65 Z+03 TOOL DEF 14 TOOL CALL 1 Z S10005 L M66 CYCL DEF 200 DRILLING Q200 = 5 ;SET-UP CLEARANCE Q201 = -20 ;DEPTH Q206 = ??? ;FEED RATE FOR PLNGNG Q202 = 5 ;PLNGNG DEPTH Q210 = 0 ;DWELL TIME AT T
CNCマシン