提出者:ブライアン 描画/画像 CNC プログラム 0 BEGIN PGM 10127 MM1 BLK FORM 0.1 Z X-50 Y-50 Z-402 BLK FORM 0.2 X+50 Y+50 Z+03 TOOL DEF 14 TOOL CALL 1 Z S10005 L M66 CYCL DEF 200 DRILLING Q200 = 5 ;SET-UP CLEARANCE Q201 = -20 ;DEPTH Q206 = ??? ;FEED RATE FOR PLNGNG Q202 = 5 ;PLNGNG DEPTH Q210 = 0 ;DWELL TIME AT TOP Q2
を繰り返す 提出者:機械工 描画/画像 CNC プログラム 0 BEGIN PGM 10128 MM1 BLK FORM 0.1 Z X+0 Y+0 Z-402 BLK FORM 0.2 X+100 Y+50 Z+03 TOOL DEF 14 TOOL CALL 1 Z S10005 L M66 CYCL DEF 1.0 PECKING7 CYCL DEF 1.1 SET UP -28 CYCL DEF 1.2 DEPTH -209 CYCL DEF 1.3 PECKG -1010 CYCL DEF 1.4 DWELL 011 CYCL DEF 1.5 F50012 L X+15 Y+30
投稿者:cnc プログラマー 描画/画像 CNC プログラム 0 BEGIN PGM 10129 MM1 BLK FORM 0.1 Z X+0 Y-70 Z-202 BLK FORM 0.2 X+100 Y+0 Z+03 TOOL DEF 14 TOOL CALL 1 Z S10005 L M66 CYCL DEF 1.0 PECKING7 CYCL DEF 1.1 SET UP 28 CYCL DEF 1.2 DEPTH -219 CYCL DEF 1.3 PECKG -510 CYCL DEF 1.4 DWELL 011 CYCL DEF 1.5 F10012 L X+20 Y-10 R
提出者:ブライアン 描画/画像 CNC プログラム 0 BEGIN PGM 10130 MM1 BLK FORM 0.1 Z X+0 Y+0 Z-202 BLK FORM 0.2 X+120 Y+70 Z+03 TOOL DEF 14 TOOL DEF 25 TOOL DEF 36 TOOL CALL 1 Z S5007 L M68 L M139 CYCL DEF 1.0 PECKING10 CYCL DEF 1.1 SET UP 211 CYCL DEF 1.2 DEPTH -212 CYCL DEF 1.3 PECKG -213 CYCL DEF 1.4 DWELL 014 CYCL D
提出者:機械工 描画/画像 CNC プログラム 0 BEGIN PGM 10131 MM1 BLK FORM 0.1 Z X+0 Y+0 Z-402 BLK FORM 0.2 X+100 Y+100 Z+03 TOOL DEF 14 TOOL DEF 25 TOOL CALL 1 Z S5006 L M67 CYCL DEF 1.0 PECKING8 CYCL DEF 1.1 SET UP 39 CYCL DEF 1.2 DEPTH -4010 CYCL DEF 1.3 PECKG -4011 CYCL DEF 1.4 DWELL 012 CYCL DEF 1.5 F10013 L X+0
投稿者:cnc プログラマー 描画/画像 CNC プログラム 0 BEGIN PGM FK1 MM1 BLK FORM 0.1 Z X-10 Y+0 Z-402 BLK FORM 0.2 X+110 Y+100 Z+03 TOOL DEF 1 L+0 R+54 TOOL CALL 1 Z S5005 L M66 L X+50 Y+50 R0 FMAX M37 L Z+2 FMAX8 L Z-10 F1009 L Y+75 RL F50010 FC DR+ R25 CCX+50 CCY+5011 FCT DR- R1412 FCT DR- R88 CCX+50 CCY013 FSELECT 1
提出者:機械工 描画/画像 CNC プログラム 0 BEGIN PGM FK1 MM1 BLK FORM 0.1 Z X-10 Y+0 Z-402 BLK FORM 0.2 X+110 Y+100 Z+03 TOOL DEF 1 L+0 R+54 TOOL CALL 1 Z S5005 L M66 L X+50 Y+50 R0 FMAX M37 L Z+2 FMAX8 L Z-10 F1009 L Y+75 RL F50010 CC X+50 Y+5011 C X+26.805 Y+59.327 DR+12 CC X+13.816 Y+64.5513 C X+6.97 Y+76.762 DR
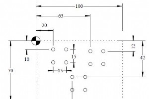
投稿者:cnc プログラマー 描画/画像 CNC プログラム 0 BEGIN PGM FK2 MM1 BLK FORM 0.1 Z X+0 Y+0 Z-402 BLK FORM 0.2 X+100 Y+100 Z+03 TOOL DEF 1 L+0 R+54 TOOL CALL 1 Z S5005 L M66 L X-20 Y+30 R0 FMAX M37 L Z+2 FMAX8 L Z-10 F5009 L X+2 Y+30 RL10 FC DR- R18 CCX+20 CCY+3011 FLT12 FCT DR- R15 CCX+50 CCY+7513 FLT14 FCT DR- R15
提出者:ブライアン 描画/画像 CNC プログラム O0001 ;SUB ProgramG0 T1212 M5X0. Z30.G1 G98 Z-80. F3000M8 ;Coolant ON, Grippex clampG4 U1. ;DwellM69 ;Chuck unclampG4 U0.1 ;DwellG1 Z-1. ;Pulling-out the bar to a specific z-extentM68 ;Chuck clampM9 ;Coolant OFF, Grippex unclampG0 G99 Z... ;Leave the barX...M99%
提出者:ブライアン 描画/画像 CNC プログラム . ;SUB Program.G0 X0 Z55 T090909 ;Change to Grippex (example)G0 Z-2 ;Approach bar to be pulledM08 ;Coolant ON, Grippex clampG04 F2 ;DwellG0 M84 ;Chuck unclampG04 F2 ;DwellG0 Z..... ;Pulling-out the bar to a specific z-extentM83 ;Chuck clampM09 ;Coolant OFF, Grippex unclamp
Fanuc 6 アラーム コードは、Fanuc System 6M 6T CNC コントロールに適用されます。 6T を備えた CNC 旋盤またはファナック 6M CNC 制御を備えた CNC ミルで作業する CNC 機械工向け。 Fanuc System 6M および 6T アラーム コードは次のように分類されます 210 ~ 245 ストローク エンド リミット スイッチのエラー サーボ システムの 400 ~ 445 エラー PCB またはケーブルの 600 ~ 603 エラー 700 ~ 702 セクションまたはモーターの過熱 メモリ上の 900 から 999 のエラー ファ
Okuma OSP-P300S/P300L Alarm-C リスト。Okuma cnc 制御を使用して cnc マシンで作業する cnc 機械工向け。 Okuma アラームの分類 OSP に関連するアラームは、次の 5 つのタイプに分類されます。 アラームP アラーム A アラーム B アラーム C(以下に記載) アラームD エラー 以下は、Okuma OSP-P300S/P300L CNC システム用の Okuma C タイプ アラームのリストです。 オークマアラームC一覧 3055 デバイスの温度が高すぎる 3056 機能していないデバイスが検出されました 3057 ウイルス
ファナックの小数点プログラミング まとめ 一部の cnc コントロールでは、cnc プログラマーのプログラミング中に、ほとんどの数値の末尾に小数点を配置する必要があります。 X100.0 Y10.0ほとんどの cnc コントロールでは、X100 Y10 のように数値の末尾に小数点を置く必要はありませんが、Fanuc cnc コントロールでは、この動作はパラメーターです (いいえ.3401#0 または No.2400#0) 依存。 説明 数値は小数点付きで入力できます。距離、時間、または速度を入力するときに小数点を使用できます。小数点は次のアドレスで指定できます:ミリング X、Y、Z、U
Okuma OSP-P300S/P300L Alarm-D リスト。Okuma cnc 制御を使用して cnc マシンで作業する cnc 機械工向け。 Okuma アラームの分類 OSP に関連するアラームは、次の 5 つのタイプに分類されます。 アラームP アラーム A アラーム B アラームC アラーム D(以下に記載) エラー 以下は、Okuma OSP-P300S/P300L CNC システム用の Okuma D タイプ アラームのリストです。 オークマ アラーム D リスト 4035 メモリ ボードのバッテリーを交換 4036 キーコード データ受信エラー 4037 C
cnc プログラムを G90 アブソリュート プログラム モードから G91 インクリメンタル プログラム モードに簡単に変換する方法を示す CNC ミリング プログラムの例。 CNC ミリング プログラムの例 G90アブソリュートプログラム G91 インクリメンタル プログラム N10 T1 M6 M3 G43N15 S2000 F80N20 G0 X10 Y10 Z1 (P1)N25 F30N30 G1 Z-2N35 X25 F80 (P2)N40 G3 X25 Y20 I0 J5 (P3)N45 G1 X10 (P4)N50 Y30 (P5)N55 G0 Z100 G49N60 M
CNC ミルでポケットを加工するための CNC プログラムの作成方法を示す CNC フライス加工プログラムの例。 このプログラム例では、ペック フライス加工を使用して材料を切断し、長方形と 1 つの丸いポケットを加工します。 CNCポケットミリングプログラムの例 メイン プログラム フライス径 :10mm N05 G55N10 M6 T2 H3 G43 M3N15 S1000 F60N20 G0 X9 Y9 Z1N25 G1 Z0N30 M98 P030035 N35 G0 Z1 G90N40 X42 Y38 N45 G1 Z-2 F30 N50 X47 F300 N55 G3 X47
CNC フライス加工プログラムの例は、G91 G41 G43 G コードの使用を示しています。 CNC ミル プログラム G91 G41 G43 CNC パート プログラム N05 G54N10 M6 T1 G43 H1 M3N15 S500 F120N20 G0 X-22 Y-22N25 Z-3N30 G1 X3 Y6 G41 H2 (P1)N35 G91 X0 Y24 (P2)N40 X12 Y9 (P3)N45 X36 (P4)N50 Y-24 (P5)N55 X-21 (P6) N60 G90 X3 Y6 (P1)N65 G0 X-21 G40 G M S T コードの説明 コード
CNC フライス加工プログラムで、2 つ以上の半径を結合する方法を説明する CNC フライス加工プログラム。 CNC Mill サブプログラムの例 CNC パート プログラム N10 T1 H1 M6 G43 M3N20 F150 S250N30 G0 X-21 Y50 Z0.5N40 G0 Z0N50 M98 P040050N60 G49N70 G0 Z50N80 M30 サブプログラム O0050N10 F160 S400N20 G0 Z-2.5 G91N30 G1 G90 X5 Y50 G41 (P1)N40 G2 X22 Y85.23 I45 J0 (P2)N50 G3 X78 Y
シンシナティ マシニング センター Acramatic 2100e cnc 制御の G コードと M コード。以下の G および M コードのリストは、Acramatic 2100E cnc 制御を備えた次のシンシナティ垂直マシニング センターに適用されます ARROW E/DART 500/750 (ERM) ARROW 500/750/1000/1250C (ERM) ARROW 1250/1500/2000 (ERD) シンシナティ G コード Gコード 説明 G0 早送り (直線) G1 線形補間 G2 サーキュラー/ヘリカル CW G2.01 円形/ヘリカル CW
Haas コーナーの丸み付けと面取り 面取りとコーナー半径をプログラムする方法を示す Haas CNC プログラム例。 ハース面取り 面取りをプログラムするには N10 G01 X20 Y30 ,C3 ハース コーナー ラウンド 半径をプログラムするには N10 G01 X20 Y30 ,R3 ハース コーナーの丸み付けと面取りの例 Haas CNC プログラム O1234 (Corner Rounding and Chamfering Example);T1 M6;G00 G90 G54 X0. Y0. S3000 M3; (P1)G43 H01 Z0.1 M08;G01 Z-0.
CNCマシン