G72 ボルト穴に沿って角度コマンドを使用すると、CNC 機械工が角度に沿って等間隔に穴をドリル/ボーリング/タップすることが容易になります。 角度に沿った G72 ボルト穴 G72 は非モーダル G コードです。 角度フォーマットに沿った G72 ボルト穴 G72 I J L I – 角度に沿ったボルト穴間の距離J – 3 時からの穴の角度、0 ~ 360.0 度 CCW。L – 角度に沿って等間隔に配置された穴の数 J の付いたマイナス記号は、角度 CW を逆にします。G72 コードは、指定された角度 (J) で直線上に L 個の穴を開けます。 G72 が正しく機能するためには
次の CNC プログラミング コードは、角度に沿った G72 ボルト穴の使用を示しています。 名前が示すように、G72 G コードを使用すると、指定された角度に沿って等間隔に穴をあけたり、穴を開けたり、タップしたりすることが非常に簡単になります。 固定サイクル G73、G74、G76、G77、または G81-G89 は、角度コマンドに沿って G72 ボルト穴で使用できます。 角度フォーマットに沿った G72 ボルト穴 G72 I J L I – 角度に沿ったボルト穴間の距離J – 3 時からの穴の角度、0 ~ 360.0 度 CCW.L – 角度に沿った等間隔の穴の数 詳細 G72 角
Fagor 自動化 Web サイトでは、fagor cnc 制御のすべてのマニュアルとカタログを無料で簡単にダウンロードできます。 CNC 機械工は、次のような複数の関連ソフトウェアを無料でダウンロードすることもできます WinDDS WinDNC WinDRAW Fagor CNC マニュアル Fagor cnc のマニュアルは無料でダウンロードできます Fagor カタログ/マニュアルは 10 か国語で利用できます。 ファゴールCNC CNC 機械工は、次の一覧にあるマニュアルをダウンロードできます。他の複数のマニュアル/カタログも Fagor Automation の W
Siemens Sinumerik CNC 制御に携わる CNC 機械工は、Siemens の Web サイト http://www.usa.siemens.com/cnc4you からオンラインの Sinumerik マニュアルを無料でダウンロードできます。 これは、複数の Sinumerik CNC 制御用のプログラミング/操作ドキュメントを含む大きな Web サイトです。 以下に、CNC 機械工は、操作マニュアルやプログラミング マニュアルなどの Sinumerik 840D マニュアルなどのリンクを見つけることができます。 Sinumerik CNC コントロール Siemen
Siemens は、Siemes SINUMERIK CNC 制御に取り組む CNC 機械工に多大な支援を提供してきました。 無料でダウンロードできる Sinumerik CNC 制御ドキュメントから、無料でダウンロードできるウェビナーまで。 SINUMERIK CNC Sinumerik cnc 制御に関する新しいウェビナーに登録することもできます。 または、CNC 機械工は、SINUMERIK CNC の機能/プログラミング/利点とさらに詳細なデータについて徹底的に議論する以前のウェビナーを自由にダウンロードすることもできます。 SINUMERIK CNC4you ウェビナー
リジッドタップモードでの深穴タップは、工具への切りくずの付着(タップ)や切削抵抗の増加により、困難な場合があります。 ペック リジッド タッピング このような深穴タッピング操作を CNC 機械工が簡単に行えるようにするために、Fanuc cnc コントロールには G84 Peck Rigid Tapping Cycle というサイクルがあります。 Haas CNC 制御に携わる CNC 機械工の方は、Haas CNC でのチップブレーカーによる深穴タッピングまたはペック タッピングもお読みください。 Fanuc G84 Rigid Peck Tapping Cycle では、穴の底に
PC 上の SINUMERIK 808D を使用して、シーメンスは CNC 機械工に、初心者レベルとエキスパート レベルの両方の CNC 機械工に適用できる CNC トレーニングのハンズオン ソリューションを提供します。 PC 上の 808D を使用すると、CNC 機械工は、SINUMERIK 808D にある革新的な数値制御機能のプログラミングと操作の専門知識を最初から最後まで広げることができます。 PC 上の SINUMERIK 808D Siemens SINUMERIK 808D on PC 直感的な PC ベースのソリューションは、CNC 工作機械のワークショップのニーズを満
G01 G コードを使用して面取りと半径 (コーナーの丸み付け) をプログラムする方法を示す CNC プログラミング サンプル コード。 初心者レベルの CNC 機械工でも、このようなサンプル コードを理解してプログラムできるように、プログラムして理解するのは簡単です。 主に Fanuc および同様の CNC コントロールで動作します。 追加の G コードや技術は必要ありません。 G01 Gコードを使用して、CNCプログラムブロックに面取りの「C」と半径の「R」を入力するだけです。面取りは 45° (45 度) です。 面取りとコーナー半径が G01 G コードでどのようにプログラムさ
ANILAM CNC コントロールのドキュメント CNC 機械工は、ANILAM CNC の Web サイトから、プログラミング、操作、サイクル プログラミング用のアニラム CNC コントロール マニュアルを自由にダウンロードできます。 ANILAM CNC の Web サイトには、 のような複数の CNC コントロールに関するドキュメントがあります。 3000 コマンド CNC 3000M CNC 4200T CNC 5000M CNC 6000M CNC すべての ANILAM マニュアル、文献、およびトレーニング プレゼンテーションは、ADOBE Acrobat PDF 形式で
CENTROID CNC コントロール マニュアル CENTROID CNC コントロールは、フライス盤、旋盤、ルーター、彫刻、ニー ミル用です。 CENTROID には、次のような複数の CNC コントロールがあります。 フライス盤用 M-400 CNC コントロール すべてのタイプのフライス盤用 M-39 CNC コントロール:ルーター、彫刻、ニー ミル 旋盤およびターニング センター用の T-400 CNC コントロール 旋盤およびターニング センター用の T-39 CNC 制御 CENTROID M400 CNC CENTROID CNC の Web サイトでは、CENT
Fanuc on question は、最も広く使用され、理解されている cnc 制御です。Fanuc は、ミル、旋盤などのさまざまな機械で使用されています。 ファナック 21 TB そのため、G コードを処理しているときに、ファナック G コード グループ (またはファナック G コード グループ タイプ) A、B、C のような興味深いことが起こることがあります。 cnc 制御.しかし、別の Fanuc 制御モデルでは、G78 スレッド サイクルが表示されます.ほとんどの作業は、G76 スレッド サイクルと同じです。G78 スレッド サイクルと同じように動作します. A、B、C グル
単純なスロットを加工する方法を示す、非常に単純な cnc フライス加工プログラムの例。 同じ方法でテーパーを付けてポケットをフライス加工する別のプログラム例は、CNC Milling Machine Programming Example for Beginners です。 スロットミリングプログラムの例 スロットミリング サンプル CNC プログラム N10 G00 G90 X70 Y25 Z1 S800 M3N20 Z-5N30 G01 X20 F150N40 G00 Z100N50 X-25 Y50N60 M30 N10 主軸を 800 回転/分で時計回りに回転、工具を P01
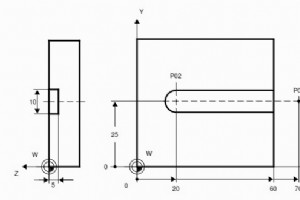
Siemens Sinumerik 840 / 840C cnc 制御を備えた機械で円形ポケットをフライス加工したい. プログラムの例コードについては、 Program Example L930 Milling Circular Pocket Sinumerik 840C を参照してください シヌメリク 840C L930 ミリング円形ポケットの概要 L930 サイクルの円形ポケットの主な要件は次のとおりです。各切削の R01 切り込み深さ (R16 で深さの送りを指定できます)。R03 の合計ポケット深さ。円形ポケットの位置R22 と R23 を使用。ポケット R15 をフライス加工
Siemens Sinumerik 840 840C コントロールで作業する CNC 機械工向けに、CNC フライス盤で円形ポケットをフライス加工するプログラム例を次に示します。 Sinumerik L930 Milling Circular Pocket サイクルには多くの R パラメータがありますが、それらのほとんどは自明です。L930 Milling Circular Pocket – Sinumerik 840 840C プログラミングで L930 サイクルに関する簡単な記事を見つけることができます。 L930 ミリング円形ポケット CNC プログラム例 L930 フライス円形ポ
ファナック G72 フェーシング サイクル 1 行形式 Fanuc cnc 制御には、さまざまな cnc プログラミング手法とスタイルを備えた多くのバージョンがあります。 缶詰サイクルに直面 一部のファナック cnc コントロール (ファナック OT/16T/21T) は、固定サイクル (G71、G72 など) に 2 行形式を使用します。 ただし、他のファナック cnc コントロール (ファナック 10T/15T) は固定サイクル (G71、G72) に 1 行形式を使用します。 以下は、Fanuc G72 フェーシング サイクル ワンライン フォーマット バージョンの詳細です。
CNC 機械の定型サイクルは、初心者レベルの CNC 機械工にとって学習とプログラミングが難しいように見えますが、長期的には成果を上げています。 固定サイクルにより、いくつかのパラメーターを変更するだけで、機械加工のニーズに応じて動作を完全に変更できるため、CNC 機械工の作業が楽になります。 これは、Fanuc G72 Facing Cycle の使用とプログラミングを示す cnc プログラムのサンプル コードです。 ファナック G72 フェーシング サイクル Fanuc G72 フェーシング サイクルを使用して、横 (X 軸) 方向にカットすることにより、コンポーネント面から余分な材
これは、ファナック G72 フェーシング サイクルの使用を示す cnc プログラミングの別の例です。ファナック G72 フェーシング サイクルには、異なるファナック cnc 制御用に 2 つの形式があります。 ファナック G72 フェーシング サイクル 1 行形式 Fanuc コントロールが単線形式の固定サイクルを使用している場合、ここに Fanuc G72 Facing Cycle の完全な説明があります。 single-line) 形式サンプル プログラム例 Fanuc G72 Facing Cycle Single-line-format ファナック G72 フェーシング サイクル 2
Siemens Sinumerik 840D (および関連する) CNC 制御に取り組む CNC 機械工向けに、Sinumerik 840D CYCLE81 穴あけサイクル (センタリング サイクル) に関する簡単な記事を以下に示します。 cnc プログラミング例 Sinumerik 840D 穴あけサイクル CYCLE81 CNC プログラミング例コード 間違いなく穴あけサイクルは、CNC 工作機械のワークショップで最も使用されているサイクルの 1 つです。 Fanuc および Haas の cnc 制御に取り組む cnc 機械工には、G81 Drilling Canned C
業界で最も人気のある旋削インサートは、80 度のダイヤモンド (CNMG インサート) です。 Sandvik Coromant CNMGインサート 汎用性とエッジ強度のバランスが取れていることで知られており、通常、CNC プログラマーの最初の選択肢です。 関連:サンドビック・コロマント カタログ PDF 無料ダウンロード Sandvik Coromant CNMG チップは、汎用性と刃先強度のバランスで知られています ただし、多くの顧客は CNMG インサートの 80 度の 4 つのコーナーを使用し、100 度のコーナーにある他の 4 つの切れ刃を破棄します。 関連:CNC
エイプリル・セナセ(35 歳)は先駆者です。彼女は 13 年間、数多くの工場の仕事をしてきました。多くの場合、生産現場で最初の、または唯一の女性として働いています。 製造業は男性の仕事だけではありません – 現在、女性は製造現場にいます 彼女は、特殊な工業部品を製造する工場でハイテク機械 (CNC) を操作する日課で、残業代を含めて時給 40 ドル近くを稼いでいます。 3 月には、Symbol Job Training Inc. でコンピュータ支援加工の最初の女性インストラクターとして 2 番目の仕事に就きました。 彼女は新しい役職で、より多くの女性が彼女の後を追うように促したいと考
CNCマシン